• 变频多联机审核标准(含配管图)
  •   来源:暖通南社
  • 2016-01-19

本课件引自美的变频多联机自审设计标准,选型配置当然针对美的变频多联机,但具有一定的参考价值,小编整理出来供大家学习。

640.webp

640.webp (1)

640.webp (2)

640.webp (3)

640.webp (4)

640.webp (5)

640.webp (6)

640.webp (7)

640.webp (8)

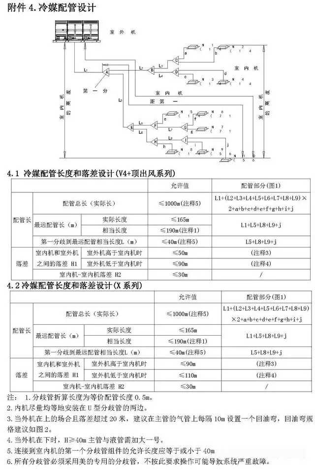
注意:1).A 表示:配管下游内机(从该段配管的至最后一台内机之间所有内机)的能力之2).第一分歧管以外机总能力为准,其他分歧管不得大于第一个分歧管。

4.5 分歧管选型注意事项

冷媒配管设计时不能两个FQZHN-04C 分歧管连续相接;下游室内机容量大于71KW 时,不能两个FQZHN-03C 分歧管连续相接。遇到冷媒配管与分歧管接不上的情况时,要调整管路走向,合理布置冷媒管路,避免造成冷媒截流等问题。
640.webp (9)

注意:1)表中所有配管指气管+液管等效管长之和。2)请根据上表选择室外机连接配管管径,如果超配,出现主配管大于主管的情况,则按照就大原则,选择较大值的主管和主配管;
640.webp (10)

附件5.多联新风机设计关于修正大多联新风机混搭、多联的技术指引

常规新风机(非定制)不能混搭,不能多联

1、新风机与大多联普通室内机的结构特点、控制系统及测试所依据的标准不同,新风机的运行条件为新风工况,换热时所需系统冷媒多。如果系统中新风机容量过大,将导致大部分冷媒流入新风机进行换热,直接影响其他混搭普通内机的使用效果,且严重影响外机可靠性,因此常规新风机不能跟普通内机混搭。

2、内销常规新风机除MDV-D140T1/XFN1-B 可配置两台内机外,其余均只能一拖一连接,不能多台连接。具体型号配置原则如下:

2 台MDV-D140T1/XFN1-B 匹配1 台8HP 多联外机;

1 台MDV-D220T1/XFSYN1 匹配1 台8HP 多联外机;

1 台MDV-D250T1/XFSYN1 匹配1 台8HP 多联外机;

1 台MDV-D280T1/XFSYN1 匹配1 台10HP 多联外机;

1 台MDV-D450T1/XFSYN1 匹配1 台16HP 多联外机;

1 台MDV-D560T1/XFSYN1 匹配1 台20HP 多联外机;

1 台MDV-D560T1/XFSYN1-A 匹配1 台20HP 多联外机。

非常规新风机(定制)的使用情况

1、可定制的新风机型号规格如下:
640.webp (11)

2、新风机单独使用时,除CE-MDVD125T1/N1-FA、CE-MDVD140T1/N1-FA 新风机(可一拖二)外,其他均不能多联。

3、如需新风机与普通内机混搭使用,必须走定制流程,且必须满足以下条件;

(1)、新风机组和普通多联式室内机混合与多联室外机连接时,室内机总能力范围为室外机的50%-100%,即严禁超配;

(2)、新风机组能力不能大于30%额定外机能力,在30%额定外机能力范围内,只能连接一台新风机。

附件6.关于规范大多联电源配线线径及设计安装方式的技术指引

为降低大多联电源配线工程费用,同时有效避免因电源配线设计安装不合格所引起的风险,现结合大多联产品实际耗电情况,对电源配线线径及设计安装方式说明如下:

一、电气配线尺寸说明
640.webp (12)

说明:1、本配线规格针对符合国家标准的铜芯聚氯乙烯绝缘电缆,工程上所采用电缆材质必须达到国家标准,具体查阅附件1:GB3956-2008 电缆的导体。

2、20m 以上的电源线线径必须根据工程实际情况计算,计算方法详见附件2:GB50217-2007 电力工程电缆设计规范。

二、电源配线设计安装方式

电源配线是指导分线器的主干线a 好从分线器到室外机的配线b,电源配线主干线a、c、d 的线径按国标根据现场环境计算得出,从分线器到室外机的配线b 查上表得出。
640.webp (13)

 由于方式二会造成安装、维修不便,推荐按照设计安装方式一进行电气配线设计安装。

三、相关要求

要求各暖通公司严格按照此规定执行,如项目实际操作中有与上述要求冲突的,按照加强市场品质刚性管理的通知要求,给予相应的处罚。

附件7. 关于明确多联机电辅热型室内机设计选型的通知

为了控制多联机制热项目因室内机设计选取不带电辅热型,引起冬季制热效果差的风险,特制定如下规定:

1、根据国家集中采暖区域划分规定,在秦岭、淮河以北要求集中供热的地区,包括北京、天津、河北、山西、内蒙古、辽宁、吉林、黑龙江、山东、西藏、青海、宁夏、新疆13 个省、市、自治区的全部,河南、陕西、甘肃、江苏、安徽、四川等省的部分地区,采用多联机制热时,必须选取带电辅热的室内机,如项目不考虑冬季制热需求,可不选择带电辅热型的室内机。

2、其它非集中采暖区域,日平均温度低于5℃的天数大于15 天的地区,包括上海、宁波、杭州、湖北、湖南、广西、贵州、江西、福州、四川、重庆、云南等省的全部,以及河南、陕西、甘肃、江苏、安徽、四川等省的部分地区,因无集中供暖,一般采用空调制热,故多联机室内机必须选择带电辅热型,除非业主强调冬季不使用多联机制热,且愿意承担由此造成制热效果差的风险。

3、对于以上区域如仅过渡季节使用多联机制热,不强制要求选取带电辅热室内机,但必须在项目前期与客户做好沟通工作。

4、要求各暖通公司严格按照此规定执行,如项目实际操作中有与上述要求冲突的,必须提前走MIP 项目设计方案风险审核流程备案,流程路径:中央空调事业部/经营单位/区域暖通公司/暖通公司项目管理流程/项目设计方案风险审核流程。一旦发现项目因室内机电辅热选型不合格导致投诉且未走流程备案的,视项目大小及影响程度给予暖通公司2 万元~5 万元不等负激励。
 

  • 推荐阅读
本站部分信息来自互联网,倘若您发现本站有侵权或不当信息,请与本站联系,经本站核实后将尽快修正!